+86 137 2822 7591

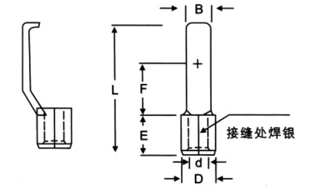
凹形裸端头

所属分类:裸端头系列

电话:+86 137 2822 7591

地址:乐清市柳市镇排岩头工业区

> 产品介绍
> 常见问题

你是工厂还是贸易公司?

乐清市盛鑫和电气有限公司致力于冷压端头、端子、端子模具、端子刀具及各类压接刀具集一体的研发、生产企业。对端子、端子模具、刀具配套压接有丰富的压着经验。一站式服务解决客户的后顾之忧。

你的质量怎么样

为了满足全球用户的需求,我们公司严格按照国际标准生产,产品已取得CE,ROHS的认证

你们为哪些公司供货?

我们的产品类别包括:冷压端头、端子、端子模具、端子刀具及各类压接刀具。

你的工厂在哪里?

乐清市盛鑫和电气有限公司位于乐清市柳市镇排岩头工业区。

> 相关产品
×

取得联系